Модель: 30с64нж
Тип управления: Ручной
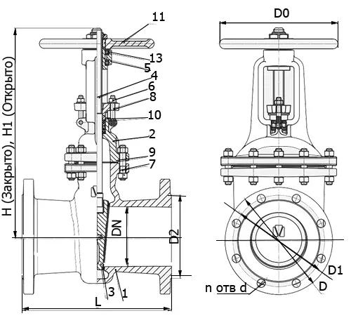
Диаметр: 250
Давление: 25
Тип присоединения: Фланцевое
Материал корпуса: Сталь
Конструкция шпинделя: Выдвижной
Клин: Двухдисковый
Уплотнение: Металл
Температура рабочей среды, max2: 450°
Строительная длина: 457 мм
